What’s in a name?

At GoldiloxBio, we recognize that the cellular environment has to be JUST RIGHT! That is why we rely on tissue-specific ECM to achieve biologically-relevant function of cardiomyocytes for hyper-predictive cardiac toxicity and efficacy testing.

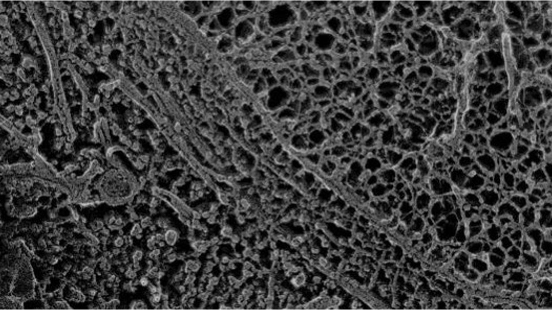
In the body, cells reside in a complex microenvironment called extracellular matrix (ECM). ECM helps regulate cell function and is absolutely essential to achieving normal physiologically-relevant function.